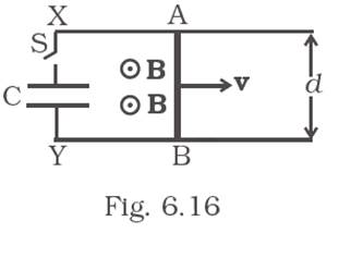
Find the current in the sliding rod AB (resistance = R) for the arrangement shown in Fig 6.16. B is constant and is out of the paper. Parallel wires have no resistance. v is constant. Switch S is closed at time t = 0.

if Q(t) is charge on the capacitor (note current flow from A to B)
![]()
![]()
![]()
∴ ⇒ ![]()
at time t=0, Q=0=A=-vBdc
differential we get
![]()