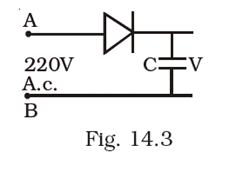
A 220 V A.C. supply is connected between points A and B (Fig. 14.3). What will be the potential difference V across the capacitor?

Given:
Rms voltage of ac supply
= 220 V
Explanation:
In the given circuit, the diode is in forward bias for the positive half of the applied ac cycle, and in reverse bias for the negative half. Thus, the diode will conduct only during the positive half of the ac cycle. Assuming the time constant of the capacitor C to be quite higher than the time period of the ac cycle resulting due to the diode, the voltage across the capacitor will be the peak voltage of the positive half cycle of the original ac cycle i.e.
![]()
![]()