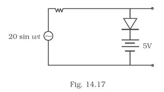
Assuming the ideal diode, draw the output waveform for the circuit given in Fig. 14.17. Explain the waveform.

The diode remains in forward bias till 20sinωt>5v. so, the circuit becomes,

Hence, we get a constant supply at the output. V0=5V
As soon as 20sinωt < 5v happens, the diode goes into reverse bias state. So, the circuit becomes,

Hence we get the same output as per the input.
![]()
The waveforms look like
