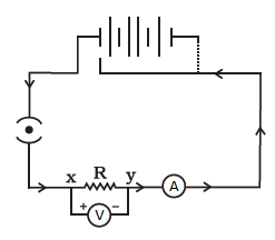
A child has drawn the electric circuit to study Ohm’s law as shown in the figure. His teacher told that the circuit diagram needs correction.

The circuit diagram has wrong placement of ammeter and voltmeter. The diagram should be as follows:

A voltmeter is used to measure the potential difference across a component. Hence, it is connected in parallel. An ammeter is used to measure the current through a component. Hence, it is connected in series.
NOTE: Parallel components have same voltage across them. Series components have same current through them.