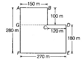
Divide the park shown in Fig. 6.17 of question 40 into two rectangles. Find the total area of this park. If one packet of fertilizer is used for 300sqm, how many packets of fertilizer are required for the whole park?

Area of rectangle ABCG = l × b
= 150 × 100
= 15000 sq.m
Area of rectangle DEFG = 270 × 180
= 48600 sq.m
Total area of park =15000 + 48600
= 63600 sq.m
Area used by one packet of fertilizer = 300 sq.m
So total packets required = 63600 / 300
= 121