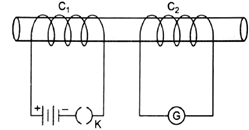
Two coils C1 and C2 are wrapped around a non conducting cylinder. Coil C1 is connected to a battery and key and C2 with galvanometer G. On pressing the key (K), current starts flowing in the coil C1. State your observation in the galvanometer:


i. When key K is pressed on.


ii. When current in the coil C1 is switched off.


iii. When the current is passed continuously through coil C.


iv. Name and state the phenomenon responsible for the above observation. Write the name of the rule that is used to determine the direction of current produced in the phenomena.


i.
When key K is pressed on, there is momentary deflection in the galvanometer. The needle of galvanometer instantly jumps to one side and quickly returns to zero. It shows momentary current through the coil 2.
ii. When current in the coil C1 is switched off, there is momentary deflection in the galvanometer. The needle of galvanometer instantly jumps but to the opposite side and quickly returns to zero. It shows momentary current through the coil 2 in the opposite direction.
iii. When the current is passed continuously through coil C, there is no deflection in the galvanometer.
iv. The phenomenon of electromagnetic induction is responsible for the above observations. According to this phenomenon, whenever there is relative motion between a coil and the magnetic field around it, an emf is induced in the coil.
Fleming’s right hand rule is used to determine the direction of current in the above phenomena.

24